CoorsTek Spare Parts
SPARE PARTS.
Browse CoorsTek spare parts for ceramic components used in plumbing solutions. Not sure what you need? Use our CoorsTek Identification Service by emailing a photo and we will help you match the correct part.

CoorsTek Identification Service
If you need assistance in identifying a CoorsTek part, do not hesitate to reach out. Clear photos of the parts in question will help our team to assist in identifying the correct CoorsTek component for your needs, reducing errors and ensuring accurate orders.
Step 2: We identify the closest match
Step 3: You order the correct spare part
Model Identification Guide
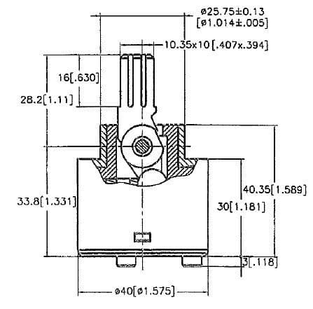
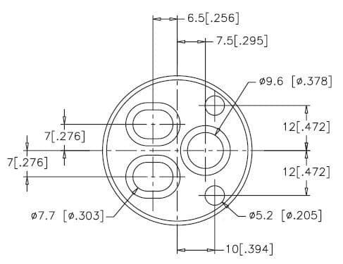
CoorsTek components often have model codes or markings on their surfaces. These could be located on the side of the component, edges, or inside housings. Always check multiple areas to locate these identifiers.
| Component Type | Marking Location | Identifier |
|---|---|---|
| Ceramic Discs | Side surface, near edge | Disc code |
| Valve Seats | Top surface, marked edge | Seat designation |
| Insulation Components | Edge marking, interior stamp | Material code |
| Custom Pieces | Custom inscription, underside | Custom ID |
Common Spare Parts
The most frequently requested CoorsTek components include ceramic valve seats, insulation parts, and custom technical pieces specific to plumbing systems. If unsure, our Identification Service is always available.

-24386-dv-p.jpg?w=500&h=500&v=B619783B-2514-4E93-93D8-85D383A7F333)

-26215-dv-p.jpg?w=500&h=500&v=44311A4E-2DDA-4E73-8205-1677DAB5E0B7)

-24383-1-p.jpg?w=500&h=500&v=608D0C8B-512D-4038-B36F-99CE84CDCEC4)

-26217-1-p.jpg?w=500&h=500&v=99B33D51-3AB6-4764-ADBA-02C11729E494)

-24396-p.jpg?w=500&h=500&v=edb56473-3232-40cb-a8c4-398b9f93d78a)

-24388-p.jpg?w=500&h=500&v=edb56473-3232-40cb-a8c4-398b9f93d78a)

-24392-1-p.jpg?w=500&h=500&v=5AC7E017-D920-497D-84CA-18385E5E6486)

-24390-1-p.jpg?w=500&h=500&v=F8C16BD6-A41A-4395-8075-56F5BF9A3F84)

-239507-p.jpg?w=500&h=500&v=90233B35-903D-4877-97D7-08839B3EC015)

-24394-p.jpg?w=500&h=500&v=edb56473-3232-40cb-a8c4-398b9f93d78a)

-24398-p.jpg?w=500&h=500&v=edb56473-3232-40cb-a8c4-398b9f93d78a)

-24379-p.jpg?w=500&h=500&v=edb56473-3232-40cb-a8c4-398b9f93d78a)

-24381-p.jpg?w=500&h=500&v=edb56473-3232-40cb-a8c4-398b9f93d78a)
